Rodamientos de bolas esféricos
Carcasa exterior del rodamiento esférico
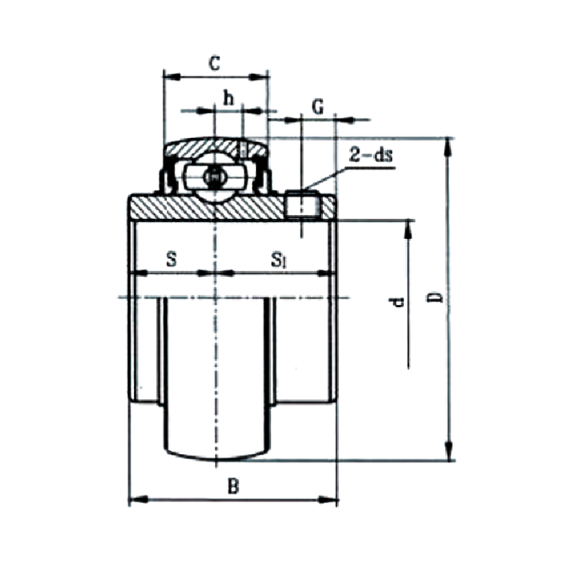
UC200 con cable superior-UC201S
Excelente autoalineación:El anillo exterior esférico compensa pequeños errores de instalación, garantizando un funcionamiento suave y estable.
Gran capacidad de carga y larga vida útil:Soporta cargas radiales y axiales parciales con un control de holgura preciso, reduciendo la generación de calor y evitando el desgaste prematuro.
Fácil instalación y cierre seguro:Equipado con tornillos de fijación M5×0.8 para una fijación rápida y fiable del eje, adecuado para una amplia gama de maquinaria.
Introducción del producto
Los rodamientos de bolas esféricos exteriores son un tipo de rodamiento rígido de bolas que cuenta con un anillo exterior esférico que encaja en una superficie cóncava correspondiente del asiento del rodamiento para su autoalineación.
Están diseñados principalmente para soportar cargas radiales y axiales combinadas, con énfasis en la carga radial, y generalmente no son adecuados para cargas puramente axiales. El rodamiento puede instalarse con anillos interior y exterior separados, rodillos y jaula. Los ejes no deben inclinarse con respecto al alojamiento, ya que esto puede generar una fuerza axial adicional. Una holgura axial adecuada es fundamental: una holgura demasiado ajustada provoca sobrecalentamiento, mientras que una holgura excesiva puede causar daños. Si es necesario, se puede utilizar un montaje con pre-interferencia para aumentar la rigidez.
Código del rodamiento: UC201S
Diámetro del eje d |
12 |
Dimensiones (mm):
D |
40 |
B |
27.4 |
do |
14 |
S |
11.5 |
T1 |
15.9 |
GRAMO |
4.2 |
h |
3.5 |
ds |
M5X0.8 |
Carga nominal:
cr |
9550 |
cor |
4780 |
peso:
kilos |
0.12 |

