Rodamiento insertable YAR212-2F
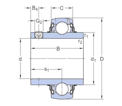
Rodamiento de bolas insertado: UC UK SA SB
Carcasa del cojinete: hierro fundido;
Tipo: UCF UCP UCFL UCT UCFC UCHA UCPA UCPH UCFS UCFB UCFW
Ventajas:
Autoalineación y fácil montaje: Compensa la desalineación entre el eje y la carcasa. Fácil de instalar y mantener.
Prelubricados y sellados: Suelen venir prelubricados y sellados, lo que los hace adecuados para entornos difíciles.
Amplia aplicación: Diseño compacto, comúnmente utilizado en ejes de transmisión, maquinaria agrícola y sistemas de transporte.
Carcasa de cojinete vertical (P), carcasa de cojinete vertical estrecha (PA), carcasa de cojinete vertical de centro alto (PH), carcasa de cojinete cuadrada (F), carcasa de cojinete cuadrada con saliente (FS), carcasa de cojinete redonda con saliente (FC), carcasa de cojinete romboidal (FL), carcasa de cojinete anular (C), carcasa de cojinete deslizante (T), carcasa de cojinete de suspensión (HA), carcasa de cojinete romboidal ajustable (FA), carcasa de cojinete de suspensión (FB); las carcasas de cojinete estampadas que se combinan comúnmente incluyen la carcasa estampada redonda (PF), la carcasa estampada romboidal (PFL), la carcasa estampada triangular (PFT) y la carcasa estampada vertical (PP).
Rodamiento insertable YAR212-2F
d |
60mm |
Diámetro del agujero |
D |
110 mm |
Diámetro externo |
B |
65,1 mm |
Ancho del anillo interior |
do |
26mm |
Ancho del anillo exterior |
≈m |
1,36 kg |
Peso |

