234424 M SP BM1 TW P5 Rodamiento de bolas de contacto angular
Jaula: jaula de latón, M/EM; jaula de acero, sin sufijo / E; jaula de nailon, TVP/ECP
Fila única: 70xx; 72xx; 73xx
Fila doble: 32xx; 33xx (52xx, 53xx)
Ventaja:
Capacidad de carga multidireccional: Capaz de soportar simultáneamente cargas radiales y axiales unidireccionales, adecuada para condiciones de tensión complejas.
Alta rigidez y alta precisión: El diseño estructural proporciona una alta rigidez, que puede mejorarse aún más mediante la precarga, manteniendo la estabilidad rotacional y la repetibilidad.
Rendimiento de alta velocidad: Diseño optimizado y ángulo de contacto (por ejemplo, 15°) reducen la fricción y el aumento de temperatura, lo que permite operar a velocidades más altas.
Ángulo de contacto ajustable: El ángulo de contacto se puede ajustar según sea necesario (por ejemplo, 15°, 25°, 40°) para equilibrar velocidad, precisión y capacidad de carga axial.
Fácil instalación y ajuste: Los anillos interior y exterior son separables para facilitar la instalación y el ajuste de la precarga.
Baja fricción y larga vida útil: Su excelente lubricación y diseño reducen la fricción y el desgaste, prolongando la vida útil de los componentes.
Amplias aplicaciones: Adecuado para diversos equipos de precisión y de alta resistencia, como máquinas herramienta, motores, bombas y robots.
234424 M SP BM1 TW P5 Rodamiento de bolas de contacto angular
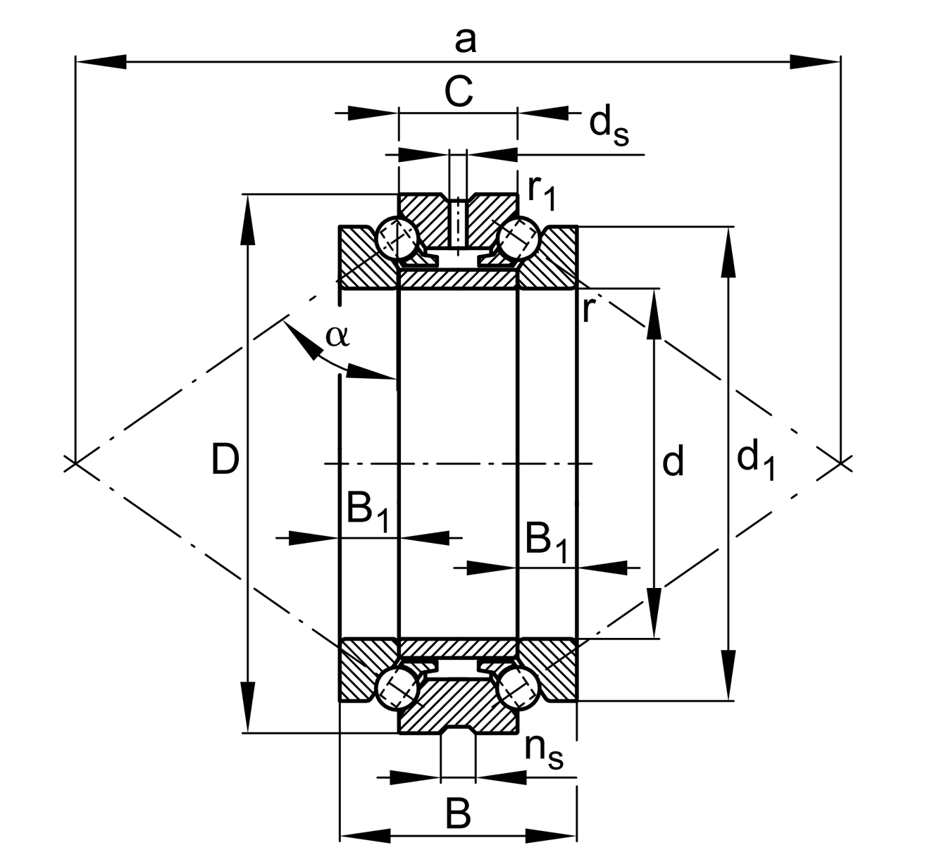
d |
120 milímetros |
Diámetro del agujero |
D |
180milímetros |
Diámetro externo |
B |
72milímetros |
W.ancho |
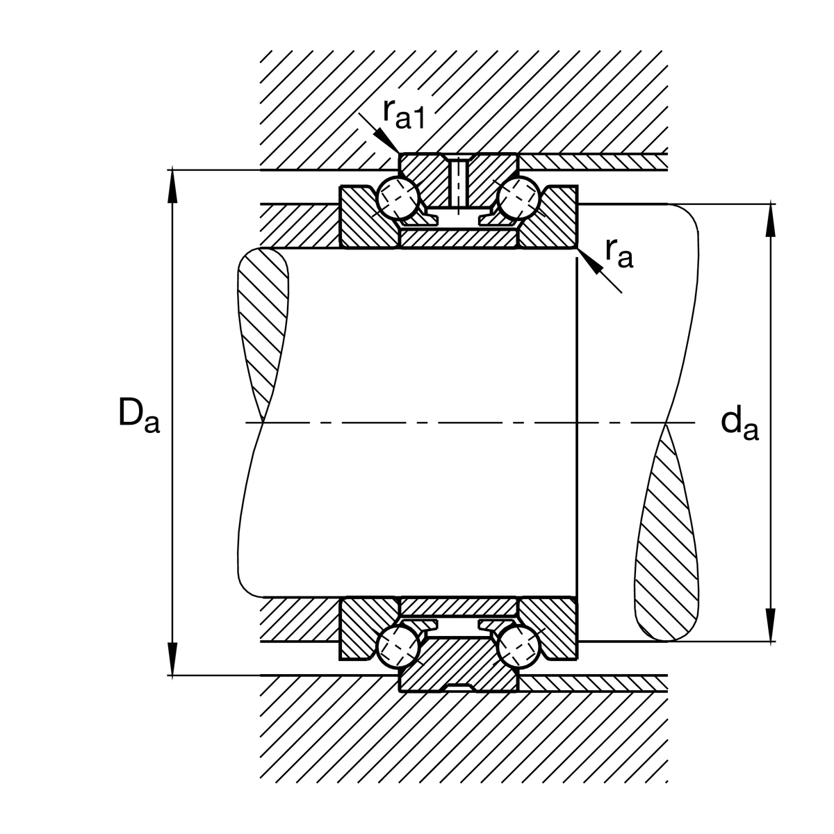
da |
≈144,5 milímetros |
Diámetro del resalte del anillo interior |
da |
≈170 milímetros |
Diámetro del hombro del anillo exterior |
C0 |
101.000 kN |
Clasificación de carga dinámica básica |
C0r |
350.000kN |
Clasificación de carga estática básica |
≈m |
5.81kilos |
Peso |


